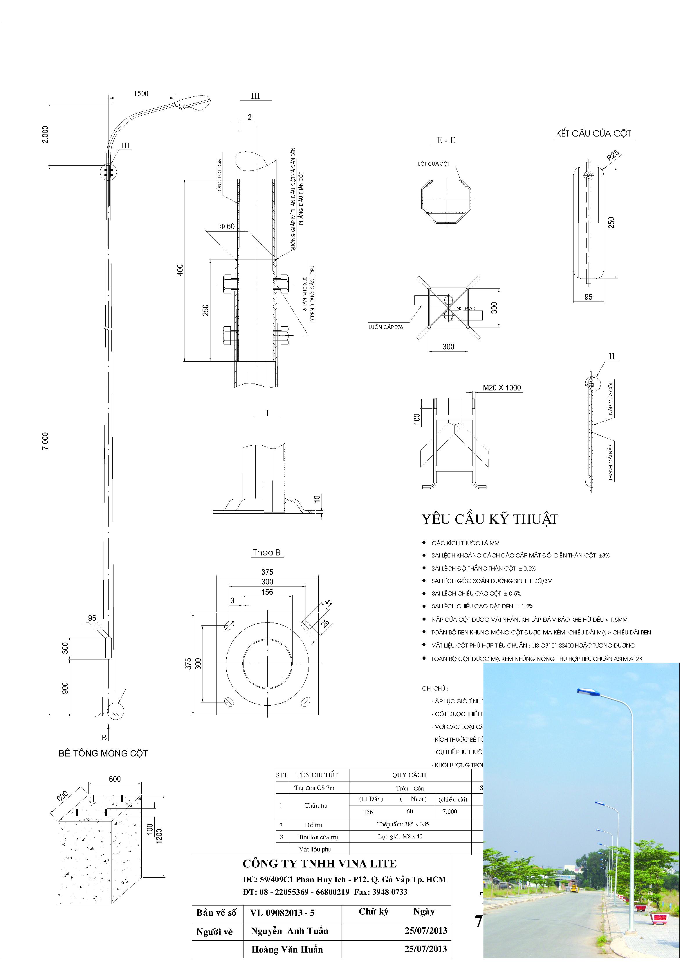
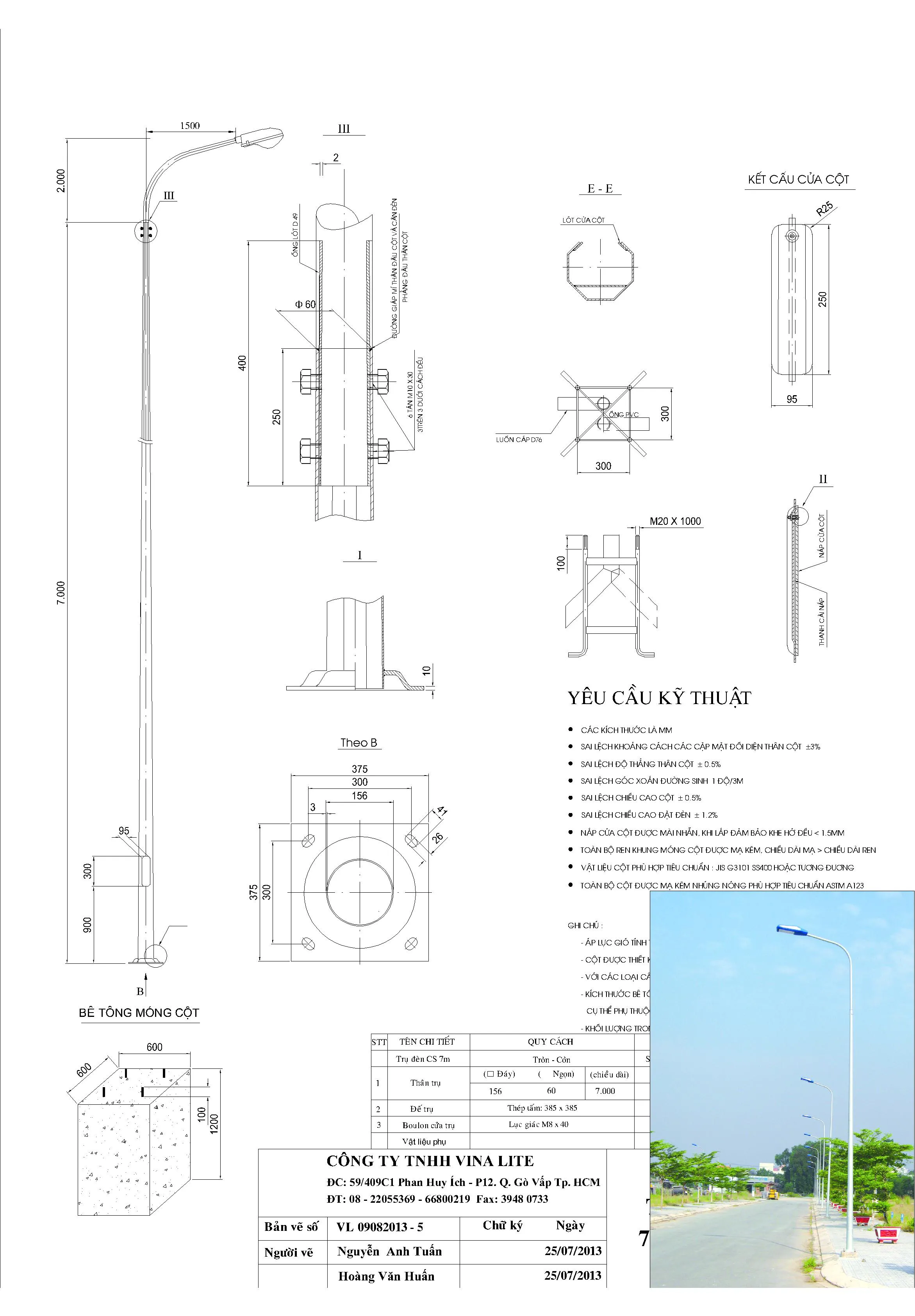
Trụ Tròn Côn 7m
Công ty TNHH VINA LiTe là công ty sản xuất và cung cấp trụ đèn chiếu sáng uy tín và chuyên nghiệp hàng đầu tại Việt Nam
Giá bán: Liên hệ
- Chi tiết sản phẩm
THÔNG SỐ KỸ THUẬT
- Chiều cao trụ đèn chiếu sáng : 7 mét.
- Tôn dày 3mm.
- Mặt bích trụ 375 x 375 x 10 mm.
- Khoảng cách tâm 4 lỗ bắt bulông : 300mm.
- Đường kính đáy : 156mm(bản vẽ). hoặc thông số trụ đèn do khách hàng cung cấp, chỉ dập nổi với phần mo nổi có D>250mm.
- Đường kính ngọn : 60mm.
- Toàn bộ trụ sau khi gia công được vệ sinh bề mặt và được nhúng kẽm nóng.
Tiêu chuẩn thiết kế chế tạo
* Tất cả các cột thép chiếu sáng đường phố được thiết kế chế tạo phù hợp theo tiêu chuẩn CSCC hoặc theo bản vẽ khách hàng.
* Trụ đèn chiếu sáng theo tiêu chuẩn của VINA LiTe được thiết kế chịu sức gió 45m/s hệ số gió giật 1,3.
Vật liệu chế tạo
* Vật liệu chế tạo thân cột thép thông dụng là thép SS400 có chiều dày từ 3~6mm theo tiêu chuẩn JIS 3101 hoặc vật liệu theo tiêu chuẩn khác theo yêu cầu cụ thể của thiết kế sản phẩm.
Kỹ thuật sản xuất và các vấn đề liên quan
* Tất cả các trụ đèn sau khi chế tạo đều được mạ nhúng kẽm nóng, hoặc sơn theo yêu cầu khách hàng nhằm bảo vệ bề mặt nhằm chống rỉ cho trụ.
* Trụ được gia công bằng thép tấm và không có mối hàn ngang thân* Tất cả các mối hàn được đảm bảo trong môi trường bảo vệ bằng khí trơ, thực hiện bởi phương pháp công nghệ hàn MIG/MAG trên máy bóp hàn tự động, hoặc bán tự động.* đặt hàng theo yêu cầu của khách hàng.
Chúng tôi công ty chuyên thiết kế và sản xuất trụ đèn sắt mạ nhúng kẽm nóng, đèn pháo bông, pháo hoa, lan can cầu, bulong móng, đà chống, ván khuôn, hộ lan giao thông, cổng chào và giàn băng đường, cùng các sản phẩm kết cấu sát thép liên quan
Sản phẩm liên quan
-
Trụ Đèn Tròn Côn 10m
Liên hệ
-
Tru Đèn Tròn Côn 9m
Liên hệ
-
Trụ Tròn Côn 8m
Liên hệ
-
Trụ Đèn Tròn Côn 6m
Liên hệ
-
Trụ Tròn Côn 5m
Liên hệ



